|
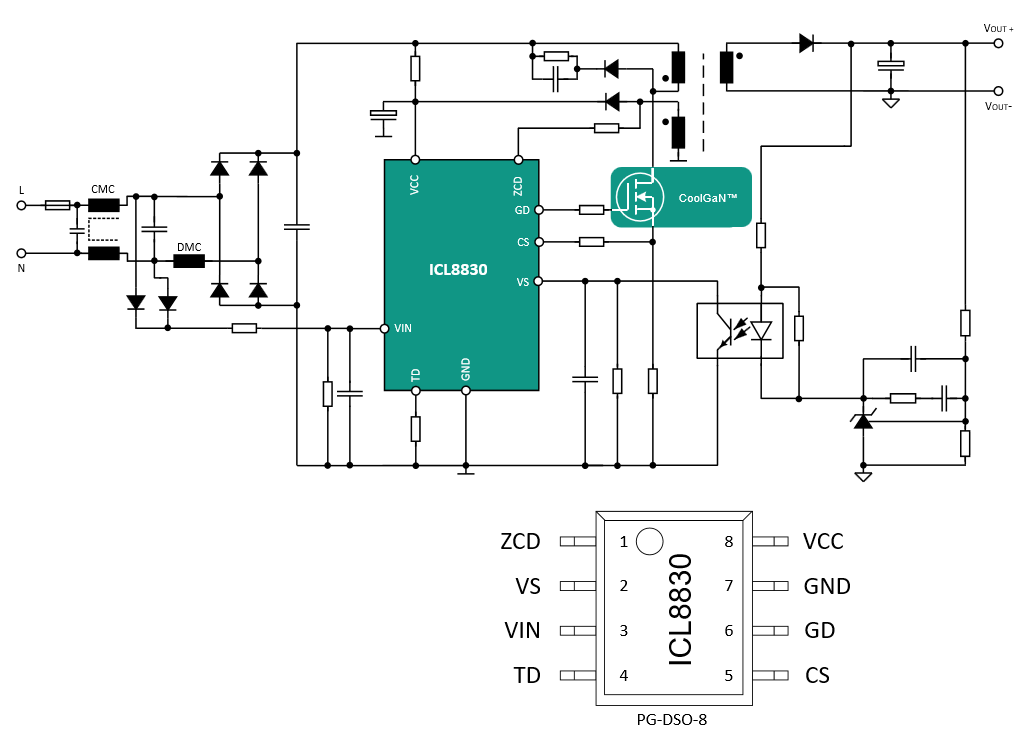
ICL8830 是一款带 SSR-CV 输出的单级 PFC 反激式控制器。专为高频开关操作而设计,支持准谐振(QRM)驱动,能够检测漏极高频振荡,实现低延迟、高效切换,尤其适配GaN 器件进行高频操作。SSR-CV反激拓扑结构帮助简化变压器设计;支持直接测量输出电压,无需额外放电电路;有效降低系统漏电流、BOM成本与待机功耗。
优势和特点:
* 带 SSR-CV 输出的单级 PFC 反激式控制器
* 可搭配ILD8150E等DC/DC降压控制器/BCR601智能线性稳压器

* 使用 ICL8830 控制器的单级 PFC 反激式架构
* PCB整体高度不高于15mm,适用于橱柜灯,内置式LED镜灯电源等超薄型灯具照明场景

扫描二维码,了解更多产品和技术!
免费样品可添加“微信客服”领取申请表!
👇👇👇
|