简体中文
|
English
请选择页面
产品应用
设计案例
产品查询
设计案例
ICL5102(HV大)功率LED驱动…
ICL8830 + CoolGaN™ 10…
ICL8830+CoolGaN 80W 标准…
单级高P反激式LED电源应用…
英飞凌大功率电源
英飞凌数字电源
英飞凌调光电源
英飞凌电子镇流器
台湾通嘉方案
可调光LED驱动
0-10V调光LED驱动
MR16可调光LED驱动
MR16 LED 驱动
非调光LED驱动
去频闪(纹波)驱动
节能灯驱动
• 英飞凌CoolSet电源管…
设计案例
您现在所在的位置:
首页
> 非调光LED驱动
名 称:
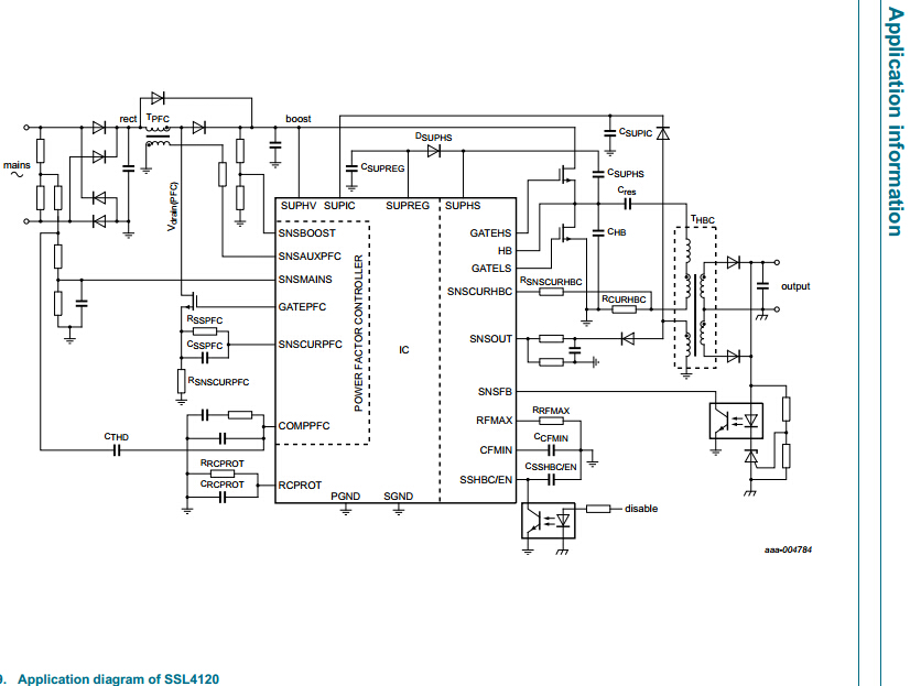
SSL4120T 高效率高功率LED驱动
所属类别:
非调光LED驱动
规格书:
点击下载
【
返回
】 【
关闭
】
友情链接:
百度链接
光华管理学院
中国光华科技基金会
深圳市光华创新科技有限公司 版权所有 地址:中国广东省深圳市福田区园岭街道华林社区八卦四路52号安吉尔大厦2301
客服专线:0755-83013948
粤ICP备2022142139号
深圳客服
中山客服
宁波客服
全国客服
服务专线
0755-83013948