简体中文 | English
设计案例
ICL5102(HV大)功率LED驱动…
ICL8830 + CoolGaN™ 10…
ICL8830+CoolGaN 80W 标准…
单级高P反激式LED电源应用…
英飞凌大功率电源
英飞凌数字电源
英飞凌调光电源
英飞凌电子镇流器
台湾通嘉方案
可调光LED驱动
0-10V调光LED驱动
MR16可调光LED驱动
MR16 LED 驱动
非调光LED驱动
去频闪(纹波)驱动
节能灯驱动
• 英飞凌CoolSet电源管…
设计案例 您现在所在的位置:首页 > 英飞凌电子镇流器
名    称: ICB2FL01G-电子镇流器
所属类别: 英飞凌电子镇流器
                                                              Infineon(英飞凌)半导体二代荧光灯智能控制器-ICB2FL01G

      在第一代智能镇流器控制器的基础上,开发了第二代镇流器智能控制器 - ICB2FL01G,此款ICB2FL01G镇流器控制器在单片紧凑SMT封装内集成了PFC、灯控制器和高压半桥驱动器功能。该产品采用数字/混合信号电源控制技术,集成了所有的灯启动、运行与保护功能。利用Infineon专利CLT技术实现了可靠耐用的高压隔离。CLT本质是采用固有的耐用高压隔离媒介并提供优越的正极和负极静态抗扰性。

      ICB2FL01G 的典型应用是电子镇流器,用在紧凑的荧光灯、线性荧光T5和T8,可调荧光灯和应急照明。
数字/混合信号电源控制能够以最少的外部器件数最低的系统成本实现稳定可靠的镇流器设计。根据应用不同,能够节约大于20个器件,包括电容、二极管和电阻。此外采用这一技术能够仅仅通过电阻设置参数,避免了目前解决方案中与电容相关的清理焊缝和老化问题。ICB2FL01G其它特性还包含,镇流控制器具有0 ms——2500 ms宽范围的可编程预热时间,使设计人员实现多种等以及高在-25 °C——+125 °C大范围内精度定时和频率控制。

     ICB2FL01G与可调灯镇流器具有很高的兼容性,提供优越的效率(高达80%)和很宽负载范围内THD性能。只能灯故障检测和重启控制符合欧洲DIN VDE 0108标准的应急照明要求。

典型应用电路图如下:

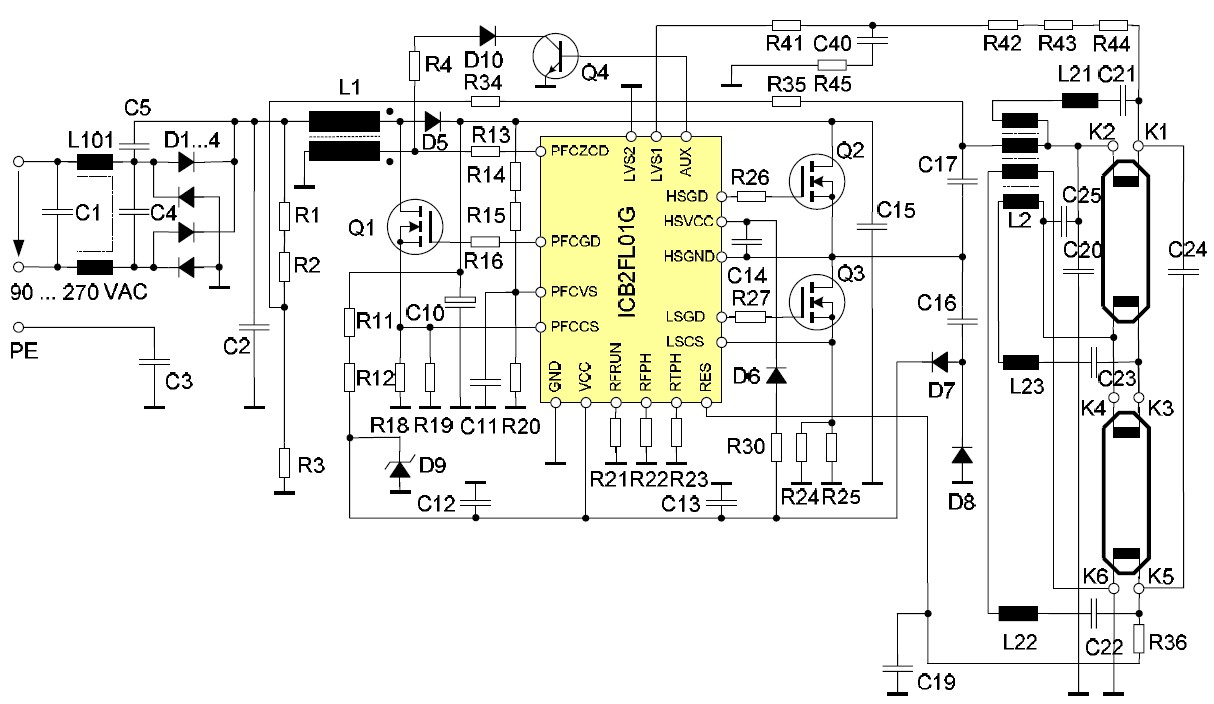
(1)Schematic Ballast 54W T5 Single Lamp



                            Figure : Parallel 2 Lamp Ballast Circuit with Current Mode Preheating

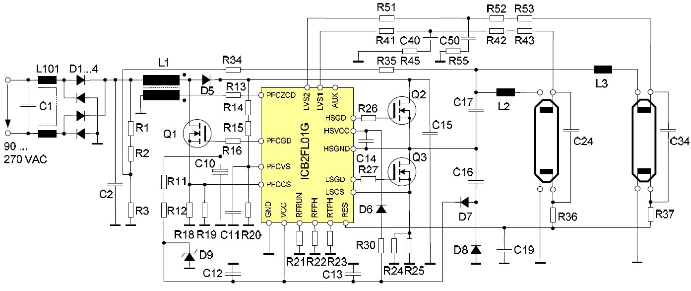
                                               Figure : Serial 2 Lamp Ballast Circuit with Voltage Mode Preheating

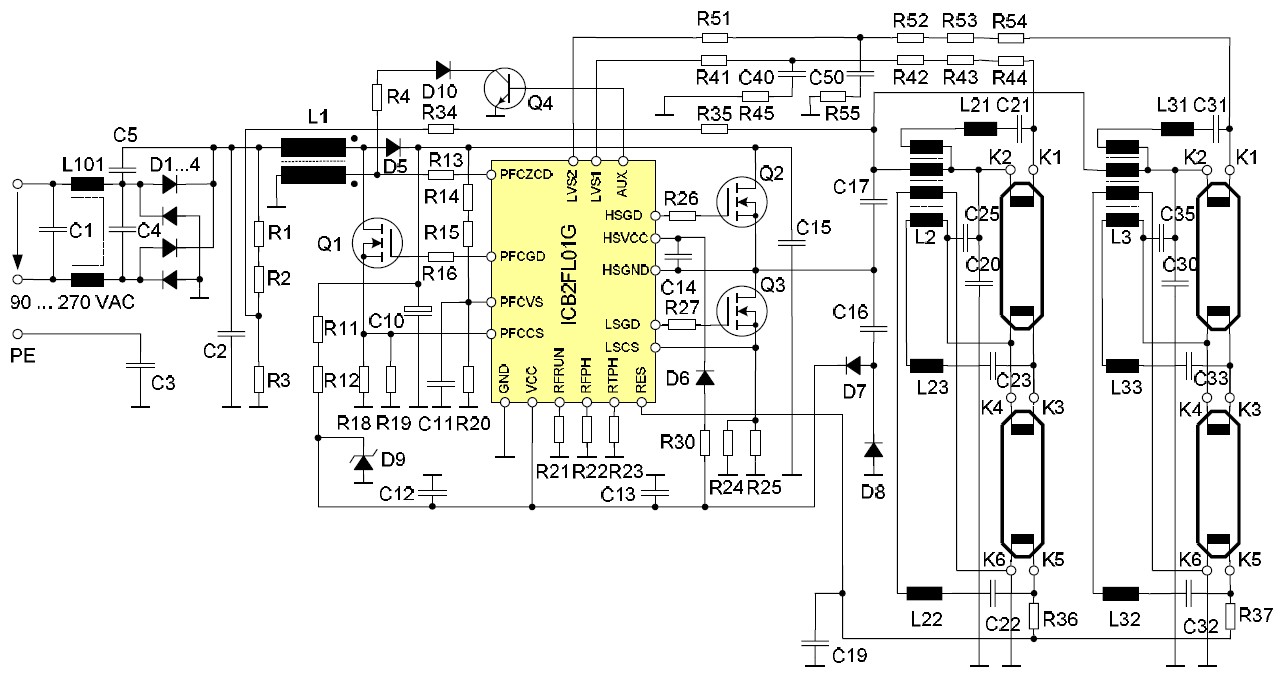
                                            Figure : 4 Lamp Ballast Circuit with Voltage Mode Preheating

更多详细应用资料及供应事宜,请联系我们客服代表!

规格书: 点击下载
返回】 【关闭
 
友情链接: 百度链接   光华管理学院   中国光华科技基金会  
深圳市光华创新科技有限公司 版权所有 地址:中国广东省深圳市福田区园岭街道华林社区八卦四路52号安吉尔大厦2301
客服专线:0755-83013948 粤ICP备2022142139号    
深圳客服
中山客服
宁波客服
全国客服
服务专线
0755-83013948