简体中文 | English
产品应用
英飞凌高效LED照明解决方…
恩智浦LightPRO无线智能照…
NXP(恩智浦)照明驱动IC
台湾通嘉照明驱动IC
矽力杰产品应用
台湾通泰绿色节能系列
台湾通泰触摸系列
亚利通(Alitek)可调光驱动…
智能三合一调光接口IC
可调光LED电源驱动IC
0/1-10V调光
电源管理IC
无频闪(LED电流纹波消除)…
非调光LED电源驱动IC
电子镇流器驱动IC
HID镇流器驱动IC
节能灯驱动IC
数据接口IC
Audio 应用芯片
场效应管
快恢复二极管
罗姆半导体(ROHM)
其它
英飞凌高频、单级PFC反激…
三星LED灯珠
产品应用 您现在所在的位置:首页 > 电源管理IC
名    称: TEA1795T
所属类别: 电源管理IC
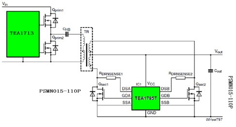
TEA1713+TEA1795+PSMN015-110P是用NB大功率适配器的最佳方案,相对于其它方案,降低布板空间,有很高的性价比,提高效率,很好的EMI表现,并且能够实现低的待机功耗控制,保护功能齐全。

TEA1713主要功能特点:

•适用于90W至300W的NB POWER、LED POWER、一体机POWER等适配器,高性价比;
•空及均符合2007年国际能源机构(IEA),能源之星(Energy star)和色天使(Blue Angel)建的各具体要求;
•自适应死区时间控制
•容性模式保护
•具有补偿升压电压的两级过流保护
•打嗝模式、高压启动电源;
•较宽控制器电源工作电压范围;
•输出欠压检测和重启计时器

TEA1795主要功能特点
•精确同步整流的功能;
•VCC电压的范围(8.5V to 38V);
•两个驱动的检测信号相互分开。;
•外围元件极少。电控制提供精确的参考电;
•动能力强,动电10V,所以适合NXP和其它牌子的MOSFET;

NB大功率适配器原理框图:

   

 

产品规格书: 点击下载
返回】 【关闭
 
友情链接: 百度链接   光华管理学院   中国光华科技基金会  
深圳市光华创新科技有限公司 版权所有 地址:中国广东省深圳市福田区园岭街道华林社区八卦四路52号安吉尔大厦2301
客服专线:0755-83013948 粤ICP备2022142139号    
深圳客服
中山客服
宁波客服
全国客服
服务专线
0755-83013948