
USB总线接口芯片CH375
1、概述
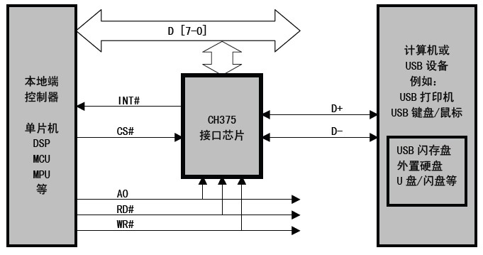
CH375 是一个USB总线的通用接口芯片,支持USB-HOST主机方式和USB-DEVICE/SLAVE 设备方式。
在本地端,CH375 具有8 位数据总线和读、写、片选控制线以及中断输出,可以方便地挂接到单片机
/DSP/MCU/MPU等控制器的系统总线上。在USB 主机方式下,CH375还提供了串行通讯方式,通过串行
输入、串行输出和中断输出与单片机/DSP/MCU/MPU 等相连接。
CH375 的USB 设备方式与CH372 芯片完全兼容,CH375 包含了CH372 的全部功能。本手册中没有
提供CH375 在USB 设备方式下的说明,相关资料可以参考CH372 手册CH372DS1.PDF。
CH375 的USB主机方式支持常用的USB全速设备,外部单片机可以通过CH375按照相应的USB 协
议与USB 设备通讯。CH375 还内置了处理Mass-Storage 海量存储设备的专用通讯协议的固件,外部
单片机可以直接以扇区为基本单位读写常用的USB 存储设备(包括USB 硬盘/USB 闪存盘/U 盘)。
2、特点
● 低速和全速USB-HOST 主机接口,兼容USB V2.0,外围元器件只需要晶体和电容。
● 低速和全速USB 设备接口,完全兼容CH372 芯片,支持动态切换主机与设备方式。
● 主机端点输入和输出缓冲区各64 字节,支持12Mbps 全速USB 设备和1.5Mbps 低速设备。
● 支持USB 设备的控制传输、批量传输、中断传输。
● 自动检测USB 设备的连接和断开,提供设备连接和断开的事件通知。
● 内置控制传输的协议处理器,简化常用的控制传输。
● 内置固件处理海量存储设备的专用通讯协议,支持Bulk-Only传输协议和SCSI、UFI、RBC 或
等效命令集的USB 存储设备(包括USB 硬盘/USB 闪存盘/U 盘/USB 读卡器)。
● 通过U 盘文件级子程序库实现单片机读写USB 存储设备中的文件。
● 并行接口包含8 位数据总线,4 线控制:读选通、写选通、片选输入、中断输出。
● 串行接口包含串行输入、串行输出、中断输出,支持通讯波特率动态调整。
● 支持5V 电源电压和3.3V 电源电压,支持低功耗模式。
● 采用SOP-28无铅封装,兼容RoHS,提供SOP28到DIP28 的转换板,引脚基本兼容CH374芯片。
3、封装
4、引脚
|