Simplified Chinese | English
请稍候...
  • kwanghua
  • kwanghua
  • kwanghua
  • kwanghua
Design Case
ICL5102(HV high) power …
ICL8830 + CoolGaN™ 100…
ICL8830+CoolGaN 80W sta…
Single Stage High Power…
Infineon Power Supply
Infineon Digital Power
Infineon dimming power …
Infineon ELE BALLAST
LD Solution
Dimmable LED Driver
0-10V Dimming LED Light…
Dimmable LED Driver for…
MR16 LED Driver
NO Dimmable LED DRIVER
LED Flicker Attenuator
CFL DRIVERS
Infineon CoolSet Power …
Design Case Your Location:Home > Case
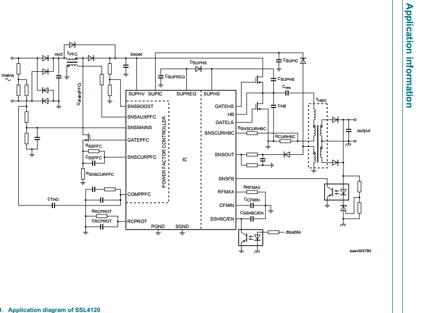
Name: SSL4120 Resonant power supply controller IC with PFC for LED

 

 

Specifications: Click to download
Back】 【Close
 
Links:
Kwanghua Technology Limited Copyright ADD:Unit 2301, Angel Building, No. 52 Bagua Fourth Road, Yuanling Subdistrict, Futian District, Shenzhen,P.R.China
Service Hotline:0755-83013948 粤ICP备12071368号-1   
Shenzhen
Zhongshan
Ningbo
National
Service Line
0755-83013948